Modified with a new drawing, since 3 September 2011!!
Funkmessnachrichten 19
Date 25 February 1945
Signed by: General Martini. (F.d.R.)
[F.d.R., I guess, that this is the British translation (conversion) for: Führer der Radar (or des Radars); F, might stand for Führer (Leader), ‘d.’ might represent der or des, what R means is, for me, an open question, as 'radar' was not yet used in German terminology (February 1945), AOB] [The British translator often uses the British jargon, whereas it is certain that such words were not used in German wartime publications. Such as, for example: 'Window' where the German codename certainly had been: Düppel, AOB]
Full transcription of a British translation of 1945
This is a most interesting document!
This periodical was issued on 25 February 1945. We may assume, however, that the personnel in the field might have got it in March 1945. Some of their estimated planning went as far as late 1945. We may consider that this was the last issue of "Funkmessnachrichten" of World War Two.
It shows their latest concern in respect to radar technology. But, also what they saw what was necessary to happen in the near future. Many topics is dealt with, like:-
My personal comment is kept within [..., AOB ]
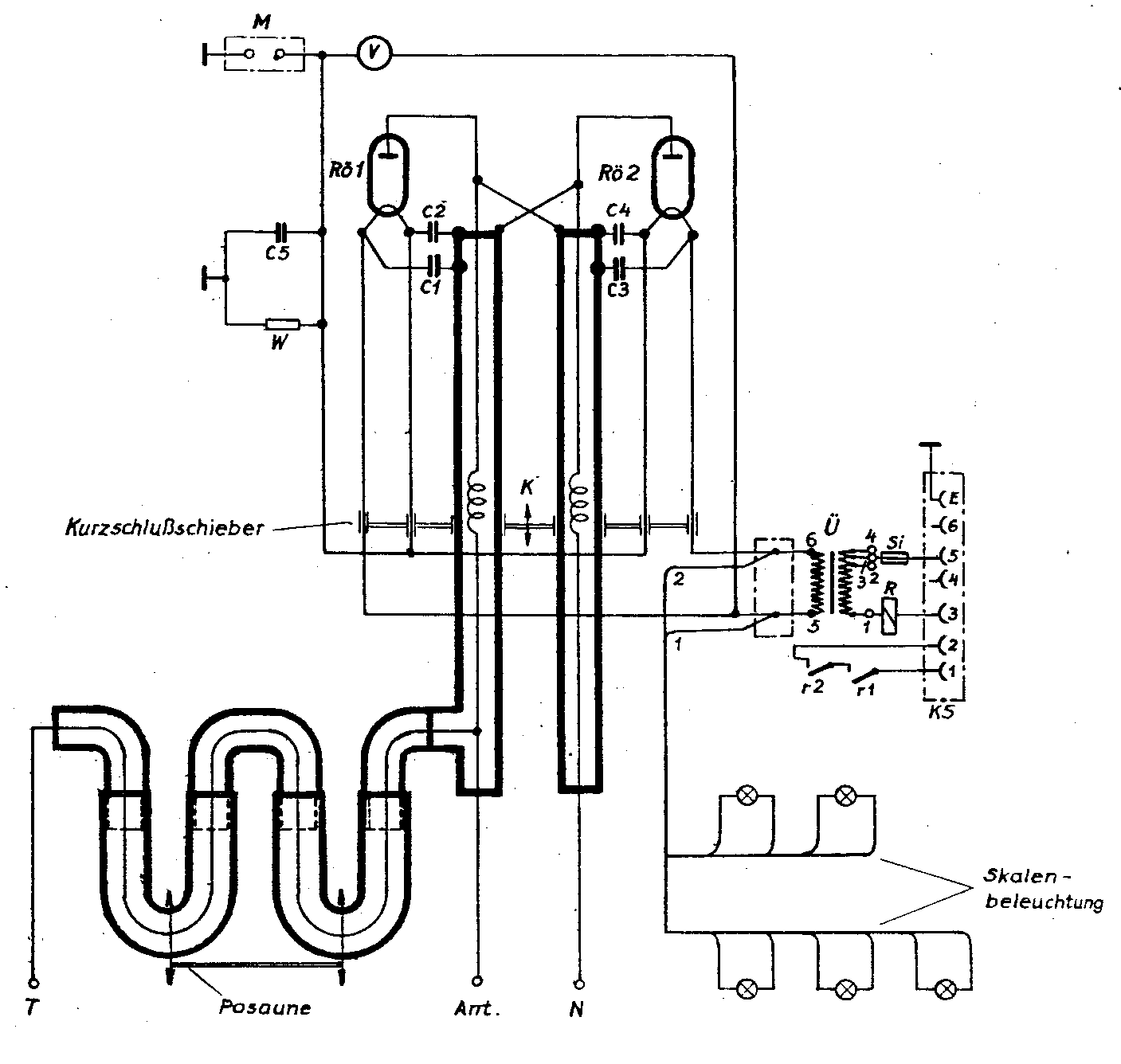
On 17 October 2011 I reconsidered the Jagdschloss A training manual and my attention stuck at the chapter about Rießersee (page 70). In the Radar News 19 translation they deal with the newly introduced modification by replacing the T/R diodes by a Nullode. I wondered how this might have been done. The solution was:

Apparently, they had modified all Jagdschloss in to version 3
The power diodes SD6 (SD6A) had proved to be unreliable and all systems had to be modified in the way shown in the schematic above. Please consider also the Nullode patent doc: DE761708, DE881812 and DE897857

Rö 1 and 2 are the two power types SD6 (SD6A)
Their dynamic resistance is 30 ohms (at the operational frequency)
Please go back to, or proceed with: Handbooks papers and product information