Taking a Rubidium frequency standard in to account
Such device is also known as
Rb-standard
Page initiated on 25 December 2015
Current status: 10 January 2016
The major difficulty encountered in my many Nachtfee related experiments, was - timing constancy - of the two time-bases involved; one the Nachtfee ground console versus the aircraft system.
After having accomplished many experiments, I came to the conclusion - that mutual timing stability should have been once better than 10-8, a value hardly achieved for field operations in the first half of the 1940s. Even under optimal conditions in special climate controlled facilities.
It took me, first, some time to obtain a good performing Rb-module for an affordable price.
Last April, I was able to obtain finally a good sample.
It nevertheless took me about nine month before I could find the drive to make it work.
One of my problems, how should the housing look like? A second question, how to obtain dividers which provide 15,000 Hz as well as 500 Hz sine wave signals.
Thanks to Peter Kievits, who made, with the support of Marc Simons (who provided a miniature board), a divider board.
But still, how to make it a versatile apparatus.
I finally decided to use, like was done with the two Nachtfee (aircraft) interfaces, building it on a so-called (Amroh) Uniframe chassis.
Some might think that I must be mad.
Please judge it yourself.
And, take into account that it all is experimental - and accessibility is therefore a pre-condition.

An example Amroh's smart idea of the late 1940s
The Uniframes are nowadays quite a collectors item

A simple example how easy construction can be

The first page of the instruction papers accompanying our module
The miniature D-type connector provides, among the supply voltages also: un-lock as well as RS 232 for specs corrections.
Robert Langehuysen measured against GPS and has corrected my device.

The only three connections to be considered are + 24 V - ground or 0 and unlock
The nuisance, when the unlock indicating LED has extinguished, is, that one cannot directly control whether the apparatus being switched on or not. I therefore have used the fact that when the locking LED extinguishes that the line onto the 100Ω resistor becomes 'high'. By means of two 6.2 V zener diodes (that was what I had at hand) and a current limiting circuit I use a simple BC 547 as to conduct the green LED current.

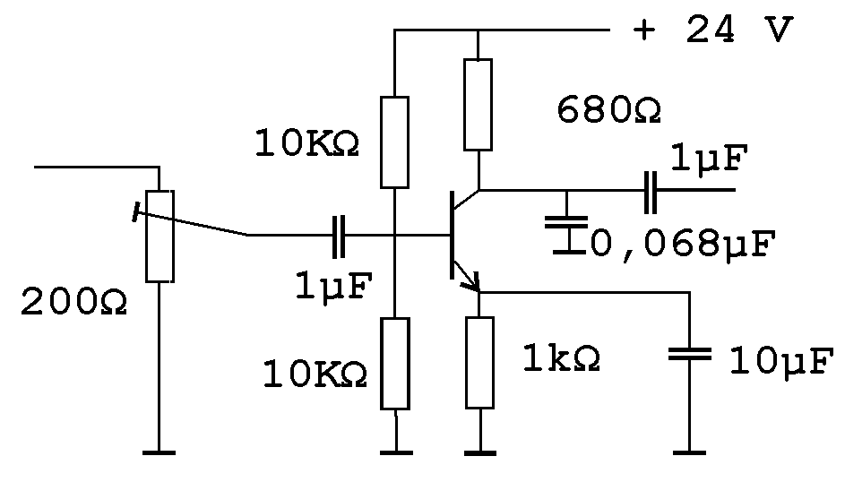
My system concept is quite easy to understand
Please notice, that the variable input is actually not derived from the divider print directly but from the buffer-stage output; the emitter follower is, nevertheless, not changing signal phase.
We have access to sine wave signals of: 10 MHz - 15,000 Hz as well as 500 Hz in a standard way, as well as at a higher signal level, the latter can be varied at will in output-level. This higher level provision is meant as to ease (future) interconnection onto the Nachtfee system. When necessary, it can be interchanged with the 15,000 Hz signal source.

Front view of my experimental system
A major concern is to keep the left-hand side housing temperature low. For it an oversized cooling-block being used; kindly provided by Peter Eijlander.
The SMD board was kindly provided by Marc Simons and the rest was kindly made by Peter Kietvits. The construction was accomplished in our MLK lab. and brought to the Klooster for further experiments.

Viewing the divider output side and attached emitter-follower circuits for 15,000 Hz and on the most right-hand side 500 Hz
Peter Kievits also provided X and Y outputs which can phase-shift to one another in programmable steps (setting according DIP switches, visible on the left-hand side) of n x 22.5 degrees.
Viewing it from the front-left-hand side
The cooling block is over-sized, but does allow also a good stable module mounting.

Viewing it from the rear-left-hand side
Please bear in mind, that all is an experimental set-up

Viewing what is underneath it
The small potentiometer is for setting the variable 500 Hz signal level
All external transistors involved type BSX 59.
Wires being kept sometimes longer than necessary - as to allow experiments in conjunction to a fully operational apparatus.

The interfaces are mainly of the so-called emitter-follower type. Constituting in most cases 100Ω impedance
Circuits are identical for both 15,000 Hz as well as 500 Hz.

The variable 500 Hz signal level channel
The level output is considerable higher, therefore it is being fed from the 24 V supply.

The 10 MHz channel
Led us start with our first experiments. I would like to measure how the various component temperatures behave versus warming up for 30 minutes.

Power being switched-on and the unlock red LED is indicating that mains is supplied
Please notice the SMD LEDs on the left-hand side circuit board.
The BNC signals counted from left to right:
(neglecting the BNC cable originating from the Rb-module) 10 MHz - 15,000 Hz - 500 Hz and 500 Hz variable higher signal level (all sine waves).

After about 10 minutes, the red LED extinguished and the green LED takes over, signalling that Rb-locking is apparent
The SMD LEDs indicating certain state of logic.
My periphery is engaging quite straight forward techniques.
I hope that you can appreciate the Uniframe application; leaving room for changing thoughts.
On 25 December: Staring temperature 18.4 - 19.4 ° C @ 11.53
Brief report on temperatures during 30 minutes of operation:
Rb- body (housing) temperature time after locking (green LED operating): 42.6°C @ 11.59 47.8°C @ 12.10 47.2°C @ 12.13
Cooling ribbon (block): start 21.8°C 26.8°C @ 12.15 23.4°C @ 12.23
Cu, top mounting strip: 23.4°C @ 12.12 22.6°C @ 12.27
Buffer transistors on the right-hand side: 25.2°C @ 12.14
Buffer 10 MHz transistor: 30.4°C @ 12.14
Buffer 500 Hz variable amplifier 27.4°C @ 12.14
5 V stabilizer with the black vertical ribbon on top 35.2°C @ 12.07
24 V Stabiliser (7824S) 26.6°C @ 12.14 (looking from outside)
24 V stabiliser measured at the inside cooling ribbon: 33.6°C @ 12.14 This was to me a critical value. However, from outside, the cooling ribbon mounted on the Al frame measures 29.8°C @ 12.11
Cooling block top mounting Cu strip 23.4°C @ 12.12 26.6°C @ 12.27
It is apparent, that sufficient cooling is crucial and well maintained so far.
This brief account is showing that no critical temperatures are being dealt with.
Please still bear in mind, that this setup is experimental.
The best performing is the (over sized) cooling ribbon to the Rb-oscillator module; not necessarily an aim, but Peter Eijlander brought it kindly along.
On 26 December 2015
I returned to the Klooster again, and have started with comparing the HP 104xx? oscillator module to the Rb standard.
Adri de Keijzer had for about a decade tuned it against his own standard, I found that the deviation was within a few mHz
Comparing with our 10 MHz HP quartz oscillator (type 104xx?)
For the time being I leave it this way.
It is quite some relieve to measure and compare against a Rb-frequency standard.
My second move was: how does our PM5193 generator perform on 10 MHz?
Please bear in mind, that the PM5193 synthesiser had been switched on shortly before. Measuring now at 15,000.000 Hz

Like the previous situation, but a few minutes thereafter

Five minutes later
It was also found, that the PM5193 does deviate at 10 MHz in the beginning about 2 mHz reducing to not yet a mHz (milli Hz!)
Finally the test was done against the 500 Hz Rb-standard signal versus 500.00 Hz originating from the PM5193 synthesiser.

The painted ellipsoid results from the apparent phase difference between the Rb and PM5193 signal sources (and the ratio between amplitudes)
It is evident - that after division to 500 Hz - phase constancy becomes extremely high.
The channel amplitude had been chosen in the beginning as to allow monitoring the projected Lissajous. Phase deviation - when minor - do result in a changing axis tilt or other means.
You might have already noticed before - my apparent penchant for comparing 'timing' processes by means of a Lissajous.
Viewing it 12 minutes later
It is clear that PM5193 - 500 Hz signal output is quite stable in the domain of time
My conclusion today - the foregoing encountered phase deviations within our simulated Nachtfee system set-up must originate from the Nachtfee ground console time-base generator.
Not a bad result today; that we are ultimately able to bring the proof that the simulated aircraft system does not suffer of timing instability.
Absolutely speaking:- phase deviations against other references must exist, but should be considered negligible. Formerly we encountered phase deviation between the PM5193 controlling the simulated aircraft system and the Nachtfee signal that we weren't even able to film it. Meant is, that when a certain order being given that what was shown on the simulated aircraft screen did run away before I could trigger the video camera!
Therefore - my next move should be finding out the behaviour of the Nachtfee time-base versus our Rb standard or from our PM5193.
A nuisance might become, that the Nachtfee time-base isn't generating exactly a 500 Hz signal.
My first move will, Deo volente, be comparing the Nachtfee output signal. When you have followed the foregoing Nachtfee experiments, you might remember that Nachtfee relied upon phase-shifting for a determined amount. Each amount of phase-shift (n x 22.5 degrees; n=1,2,3 ..16) stood for a certain order or command. It is evident, that timing stability should have been extremely accurate, thus stable.
Just this nuisance proved to be the bottleneck of our Nachtfee; likely the reason for its non acceptance in post war days.
(A)
On 28/29 December 2015
I continued experiments started yesterday.
My first aim, to switch on Nachtfee again after a rather long dormant period for over a year.
One disappointment, the LB2 circular CRT did not got its painted circular time base. What proved after all, that some have played around with control-knob settings.
Switching-on quartz channel 5 which should be 500 Hz.
The output signal was being fed on one scope channel, the other channel being fed from the Rb-standard. It was noticeable, that channel 5 did not provide exactly 500 Hz.
It was also noticed, that the phase difference tended to slow. The quartz-oven warming up took just over 45 minutes. But still no equilibrium found.
My experiments on Saturday 26 December had shown that the PM5193 synthesiser was against the Rb-standard rather stable.
I therefore used the PM 5193 signal instead of the Rb signal.
Finally the a kind of stabilisation was reached at a frequency of 499,9772 Hz. This synthesiser cannot make smaller steps than 0.0001 Hz.
A full Lissajous rotation took, say a minute - maybe - more, but was still insufficient for our experiments and what the 1944 situation would have called for.
I also did some minor tests with a Wiltron phase-meter.
After a while it started to play mad, but later tests showed reasonable performance and should be repeated soon.
Starting up the Nachtfee console again after a long dormant period
Sadly, the LB2 CRT did not show it regular circular painted trace.
However, this did not bother much as what I would like to see as to how the Nachtfee output signal behaves versus the Rb-frequency standard.

My first aim was operating Nachtfee channel 5 which should operate at 500 Hz
From foregoing experiments we know already that that operationally our apparatus does not provide exact channel frequencies.
After more than 45 minutes the quartz thermostat-oven did start to alternate on and off with intervals of minutes.
I did remember that we possess a Wiltron Model 351 phase-meter
This latter set is less sensitive to probe overloading than are regular HP or R&S Vector-Voltmeters.
It worked, but at a certain point failures occurred. Later test showed that it might be still OK.
The nuisance encountered, it that the phase difference is too high and the meter moves through all quadrants continuously.

I finally discover why the Nachtfee circular control screen did not show a time-base-line. People had fiddled around with Nachtfee control-settings. Maybe during our Open day
Quite a relieve, all functions again correctly.

Finally against the PM 5193 synthesiser set at 499.9772 Hz a longer lasting cycle was encountered, but still not reaching a solid equilibrium.
The maximum synthesiser resolution of 0.0001 Hz steps are too coarse for accurate comparison.
This phenomenon was already encountered in 2013 and 2014.
I would, Deo volente, like to open the quartz channel compartment and choosing a 'dead' quartz channel and injecting instead our Rb-signal.
An aim, making it that Nachtfee quartz or Rb signal source can be selected at will.
The Rb-input might be entered via a small window where a test-point can be accessed.
Great care should taken linking the Rb-module (15,000 Hz) output onto the Nachtfee circuitry, which sometimes run at 300 V!
(B)
On 29/30 December 2015
The next major step was taken.
Adapting the quartz-channel section of Nachtfee and finding a way to inject the 15000 Hz Rb signal onto a faulty quartz channel; for it I choose Q 1

First the front panel of the quartz section had to be removed again
Knobs have been removed and the panel waiting for to be un-screwed.

The 10 quartz modules are almost equal, be it, that minor adaptation had been individually done as to compensate for the difference in quartz Q-factor and their according parameters
Quartz channel 5 operating.
I choose (defect) quartz channel 1 on the most upper left-hand side.
I couldn't sleep well this night and weighted the pros and cons of the most simple and effective way of linking the Rb signal onto an oscillator circuit; and decided that G1 of the oscillator valve (RV12P2000) is the most logical point to start with (experimentally).
In late 2011 I drew a first sketch of the oscillator circuitry, without knowing yet how it actually did work; only considering the wires and components
It is quite clear that this oscillator type operated a quartz crystal in series-resonance mode. When the oscillator fails generating a signal and the rest of the components are in good order, the quartz itself must be defect. I therefore injected straight away the Rb 15000 Hz output signal via two open twisted-pair of wires onto G1. Even the negative feedback potentiometer did influence the output amplitude a bit; as may be expected. Like in other good operating modules, the maximum quartz load is encountered when the potentiometer is rotate fully clockwise. This potentiometer, once a source of considerable conflicts, is a negative feedback provision, normally controlling the maximal-quartz loading. When this is too high (for, say, 30 seconds) oscillation stops and quite some recovering time is due to follow; accompanied also with a long lasting frequency drift. This might once have been the reason that some quartz channels do fail since.
An open query still was, does the existing 15000 Hz signal output provide enough signal level?
Yes it does!
Hence, my estimation of a reasonable signal-level does work. As to reach this signal level, I choose for to use an emitter resistor of 100 Ω instead of the usual 50 Ω .

Maybe not the most maximum signal, but apparently the first divider stage does lock-on-to-it. Please notice the quite weak red channel (Q 1) indication light
On top of the Nachtfee console the newly introduced experimental Rb-frequency standard.
What an amazing moment waiting for so long.
My next move, was taking the Nachtfee signal output and feeding it onto one of the Lissajous channels, the second one originate from the 500 Hz signal output of our new experimental Rb unit on top of the Nachtfee apparatus.

A schematic explanation how it works
Most of you will understand what it all is about.
The Rb-module is the common signal source - for both 15000 Hz as well as 500 Hz are (strictly) derived from the same signal source, and therefore will behave in coherence.

The two Lissajous painting signals are coherent to one another as both originate from the same Rb-signal source

The difference only:- I activated the Freya-Polwender switch, which only interchanges the two Nachtfee output wires!
Only when signals involved are coherent to one another the 180° phase-shift can be observed.

I also used our Wiltron Phase Meter Model 351

One very significant lesson can be learned:-
When the line between the Nachtfee apparatus and the Rb being interrupted, coherence no longer exists between the Nachtfee signal and the Rb 500 Hz reference. Phase should be realigned! Each time this occurs, one has no idea what the current status of the two independent running signal sources have when these join together again.
Only after re-alignment matters behave as expected again!
I never expected that it would have been so random!
A certain uncertainty arose, whether meter drift was due to the external circuitry or originating with the Wiltron Model 351 phase meter. I therefore disconnected one channel line and interconnected both channels E1 and E2 together. Under this condition, minimal drift can be observed, we may thus conclude that otherwise drift originates from the incorporated system. The two Rb-signal outputs being derived from the same source and divider chain. The only possible source of phase shift originates from within the Nachtfee console itself.

The most basic way testing whether meter-drift originated from in- or outside
Preliminary conclusions today:
It is possible to use the defect 'quartz channel 1' and directly feeding it from our experimental Rb-signal-source (15000 Hz). At will channel 5 can still be operated at about 15000 Hz as well. However, the latter clearly lacking the signal- and phase-stability of the Rb-frequency standard.
Drift measured by means of a Wiltron Model 351 phase meter is very much reduced. We should think of a few degrees (2 - 4°).
A test was accomplished, by feeding both phase-meter inputs from a common signal source. Drift encountered was say 1 -2°.
Hence, the (Nachtfee console) internal phase drift may have been caused by the regenerative divider stages (together 30 : 1) as well as the two phase-shifters (Phase and 'Order')
The drift apparent must originate from within the Nachtfee console itself.
The Freya-Polwender provision works perfect
For various reasons today - the Nachtfee console had been switched off from mains as well as from the Rb-signal source occasionally. Therefore longer lasting measuring sequences have to be initiated.
Very unexpected, to me, was the fact - that when for what ever reason the Rb source and the Nachtfee console had been disconnected and linked together again - that a total new phase setting (Wiltron Model 351) had to be found. The reason, likely: regenerative divider stages do continue to produce a signal onto the system, but at a different frequency, when after a while locking be re-established again there does not exist any relation to the constantly running Rb-signal source; which should be considered better than, say: >10-10. (this module wasn't being switched-off in the meantime though, only its signal output was temporarily disconnected)
(C)
On 30 December 2015 + 1 January 2016
I went to the museum again and did bring the entire Nachtfee system in an operational order again.
I was relieved that all worked well. Always bearing in mind, that the Nachtfee ground console is older than 70 years.

The simulated aircraft system starts operating again
This time is it possible to watch an 'Order' signal that stays stationary at a single arc (180°).
This phenomenon I have never encountered before. The implementation of a Rb-controlled signal source is clearly making the difference.
The Nachtfee ground console is functioning well, but is now controlled from a Rb-frequency standard providing after division 15000 Hz as well as 500 Hz sine wave signals
For it quartz channel Q 1 being used as an interface, directly fed from the 15000 Hz Rb-controlled signal. (pink wires left of the Nachtfee apparatus). Why did I take open or twisted wires instead of a screened cable? Simple, because I wasn't sure yet whether the coaxial cable would not act as a capacitive load and thus reducing the available signal amplitude. The Rb-module is using an emitter-follower of 100 Ω. All works well, albeit, that the signal level output of the Q 1 stage is not very high, but apparently sufficient.

Amazing is the constancy of the 'Order' or Command spot (blip)
That the circle isn't painted fully is due to my camera exposure time. The dots originate from the also transmitted simulated EGON signal, which in this case has been chosen at 504 Hz; because the Rb-standard/divider provides 15000 Hz exactly. In normal operation - the situation should have been the other way around:- EGON sending pulses having a PRF of 500 Hz (Freya and that like system PRF) and Nachtfee therefore had to use Q channels other than Q 5 (after division its PRF = 500 Hz). As a consequence of operating 504 Hz - the difference is 504 - 500 = 4 Hz. Hence, the EGON blips rotates four times per second faster than does the Nachtfee blip. Would instead EGON having a PRF of 502 Hz the blip would rotate 2 cycles per second faster than the Nachtfee signal.
This could mean that my earlier estimation can be valid, I calculated before that the Nachtfee system could have worked stable when the time-base signals would have a stability in the order of about or better than 10-8.
My next move should, Deo volente, be getting on loan Marc Simons' PM 5193, the one with the black front cover used some years ago; during my early Nachtfee experiments.
Why not trying it all out with two more or less equal high order synthesisers?
The upper CRT type LB2 is meant for controlling both the correct up- and downwards travelling 'Order' signal which is being offset for range (distance between shore and moveable platform). Quite simple - the outgoing 'Order' or Command should be displayed at a correct arc against due North. The other blip or pulse, constitutes the actual timing of the aircraft time base (TB), however, of course, corrected for the time of travel towards the ground station and involved circuitry
Those following our survey for a long time, might remember, that the returning Nachtfee 'Order' signal is coherent whilst the TB signal is not. This one can be rotated by means of the 'Phase' control whereas the displayed 'Order' signal will not respond.
This constitutes a fix systematic parameter. In our actual case - the returning TB pulse should be pointing between 8 or 9 scale-lines. When this being kept (maintained), it is ascertained that the Nachtfee ground signal will arrive just at the correct instant on the Nachtfee 'Order' or Command display; because the TB pulse is informing the ground-operator its actual status against Nachtfee's own timing system.
For those becoming a bit confused, please read:
This time explained it more elaborately
as well as:
Nachtfee, an attempt to explain its principle elaborately

Please notice what it is about, a schematic simulation of the correct adjustment by means of the 'Phase' control at the Nachtfee front panel versus the actual TB pulse (signalling the start of a new time-base cycle in the aircraft system)

The HRP2/100/1,5A control screen
Both the upper and downwards facing central pulse, should be brought in line, as to guarantee that 'Range offset' being adjust appropriately
YouTube films 0215 and 0216
Film 0215: Viewing the simulated aircraft display operating with a Nachtfee system. The Nachtfee being now not quartz frequency controlled though being driven from a Rubidium (Rb) signal standard. Please notice that since the Nachtfee order signal stays quite fixed at given ground 'Order' signal. Very amazing, that with the help of an atomic standard it behaves is should expected; but never did!
Film 0216: Viewing now the Nachtfee ground console its time time-base frequency being derived from a Rb signal source. All works now as what should have done originally, though, likely never reached! The blips at about 8 minutes past the hours on the small CRT is representing the pre-setting of the Time-base (TB) originating from the actual stage of the time-base phase inside the aircraft. Only by this means can be guaranteed that the ground signal arrives at the correct instant on the aircraft display. On top of the Nachtfee console we note the experimental Rb-frequency standard. Nachtfee time-base signal now directly derived from the Rb frequency standard at least providing a stability of 10-10.
Our next move, Deo volente, should be: using a second signal synthesiser PM5193 and now replacing our current Rb-signal generator. This could prove, that with better technology Nachtfee might have operated appropriately, which our apparatus never did. Of course a Rb-controlled frequency standard is superior to the PM 5193; at least three magnitudes!
(D)
On 4 January 2016
I returned to the museum today and started a new test series, this time implementing a PM 5193 which we have, temporarily, on loan from Marc Simons.
What first occurred was a simulated aircraft display like was encountered in previous experiments where the system relied upon the internal Nachtfee time-base versus the simulated aircraft time-base (TB). Resulting in a considerable system drift; 'Order' spot runs away!
Comparing the PM 5193 15000 Hz signal (on loan from Marc) against the 15000 Hz Rb derived signal
Encountering quite some phase drift

Viewing the foregoing situation, but showing it in a broader context The Rb-standard being mounted on top of the Wiltron Phase meter

This time comparing the Rb-15000 Hz signal output against 15000 Hz originating from our own PM 5193
Our own PM 5193 synthesizer does operate much better and where previously scale had to be set at +/- 180° a higher phase scale resolution could be chosen.
Then I decided comparing 500 Hz signals instead; again Rb-derived 500 Hz versus our own PM 5193 mounted within the simulated aircraft setup. We could use now the full-scale resolution +/- 5°. It took many minutes before the full scale - 5° up to +5° was being ran through. In contrast to the foregoing comparison.
As to quantise the latter results, I have to use a stopwatch; which was currently not at hand.
On the one hand the results today are disappointing, on the other hand - it is providing an additional idea as to how systems once might have been organised.
Nachtfee does lack a provision for fine-setting or even adjusting frequency (phase). One have to accept what is coming out of the quartz controlled channel of Nachtfee.
There
can be only a single conclusion:- that system-phase-control (adaptation)
had to be accomplished within the aircraft timing control (time-base)!
Reconsidering the consequences, I now believe that this would create a highly delicate system, because we should not forget, that the TB signal would be returning to the ground console and there being nullified or countered by means of the range controlling operator (the one handling the 'Phase' control on the Nachtfee apparatus front-panel).
Another conclusion may be drawn as well:- that is that phase-shifter-temperature-drift is an additional (quite small) system parameter. However, it might have been within the regular dynamic system control; as is the displacing aircraft constituting.
It has to be noticed - that the current (recent) experimental results would never have been achieved without our experimental Rubidium frequency standard; the latter constituting a sort of an atomic frequency standard device.
(E)
On 6 January 2016
The foregoing implementation of a second Philips PM 5193 synthesizer was a disappointment and I have returned to the fore-last situation; where Nachtfee been driven by our experimental Rb-frequency-standard.
I have first restored the situation where the Rb-module feeds Nachtfee with a 15000.00 Hz clock signal. Our PM 5193 acting as a simulated aircraft time-base at 500 Hz.
This time using a stopwatch - I measured over 55 minutes of operation a phase drift of ca. 60° (anti-clockwise); this means that our PM5193 is having just a tiny bit too high frequency versus the Rb frequency standard. When we estimate that a pathfinder aircraft has an airspeed of, say, 400 km/h, it would have bridged a distance of 55/60 x 400 = 366.6 km. Whilst, the full Nachtfee range is 600/2 = 300 km.
The 60° phase drift constitutes a sixth of an 'order' circle of 360°. I estimate that this would have been easily controllable within the capture-range of a Nachtfee operator, who had in 55 minutes to compensate for more than a full 'order' circle rotation anyway (considering 400 km/h airspeed); the latter caused by the phase-shift due to increasing range or distance between the Nachtfee console and the moving-away platform.
Marc did give me today his permission to readjust his quartz-clock time-base against the 10 MHz output of the Rb module
Reconsidering the manual we possess, it is evident that both PMs are differing a bit from its internal circuitry. Because, the manual deals with a 10 MHz clock frequency whilst our PMs do rely upon a 8.xxx frequency source (apparently, because ours do have a time base which fits onto a binary system).
However, the above shown linking up together is quite challenging as our PM 5193 (the light yellow/grey one), which only provides minimal phase difference, is becoming leading. Its clock signal output being fed onto the clock-input of Marc's PM 5193. From this point onwards both become coherent and do behave like this.
On top our leading PM 5193 synthesizer
Its clock signal (output) feeds Marc's lower PM 5193
As to prevent for a catastrophe, I have fixed the 15000 Hz output cable at one leg of the moveable table.

The 'Order' spot being adjusted at the left-hand edge of the due north vertical line, as to possess a good reference (line)
Signal output of the Rb-module being disconnected and instead fed by means of the on the ground laying coaxial cable
(which also being fixed on the left-hand leg of the Nachtfee console table; BNC connection just visible left of the right-hand trolley front-wheel.
Full system coherence guaranteed! What not was found was any sign of temperature drift owing to, for example, temperature influence inside the three-phase goniometer devices (Selsyn or Drehfeldgeber) or any other means.
(F)
On 10 January 2016
What we have done previously is only proving that Nachtfee could operate as long as Rb-frequency standards being used on either side; thus on the ground as well as in the to be controlled aircraft. But also showing - that mutual time-base synchronism constitute the theoretical optimum. And also that good quality quartz controlled synthesizers on one side of the system and a Rb signal source on the other, works quite well either.
Nachtfee does have a provision that the quartz oven can be still kept temperature controlled whilst the electronic section being disconnected from mains.
Again, the question is what might have been the operational circumstances, as well as suitable facilities; within a cold fuselage at altitudes up to, say, 9000 m? Where temperatures would swing between + 40 and - 40 degrees centigrade.
Consider:- when aircraft where standing outdoor in the open - often in wet environment - continuous (uninterrupted) quartz-oven-control would have been impossible - therefore long term stability, with general early 1940 technology, had been simply a bridge too far.
Even the Philips PM 5193 synthesizer performance at 15000 Hz was no match against the modern Rb-frequency standard. Only at a frequency ratio of 30 : 1 (500 Hz) a reasonable stability was encountered.
On 8 January 2016
I went again to the Klooster and did start the recent time-base setup again.
It ran for about an hour and the 'Order' spot had moved say, two degrees clockwise. This could only have originated from temperature influences within the two goniometer like delay-line units (Selsyns or Drehfeldgeber); one for Phase and the other one the 'Order' (Compass) Selsyn (both acting in series).
This is a negligible value of deviation and after correction wasn't observed thereafter. We may thus estimate that this aspect can be skipped for further investigation.
We know that the foregoing experiments do not reflect any practical value, albeit, that with certainty temperature influences caused from inside the Nachtfee console can be noticed. My aim was not to qualify its exact value, but noticing whether its aspect once might have been a hampering operational factor; which it, apparently, did not.
Let us return to the most promising apparatus test setup we use currently
Nachtfee being fed from a Rb signal source again, which after division gave 15000 Hz just injected at the defect (failing) quartz channel 1 (Q1)
The existing auxiliary periphery is already in use for several years.
The simulated aircraft system being fed from our PM 5193 synthesizer, providing 500 Hz. This time-base signal-phase (TB) being conveyed towards the Nachtfee console and providing the only possible signal-phase-reference of the current status of the aircraft time-base signal versus range. (please notice further down also the system-loops)
It has been shown in foregoing experiments, that our PM 5193 frequency and phase stability is quite impressing (after a good warming up); and forming an excellent base for demonstrating what Nachtfee might have been about.
Before closing this section, I would like to show the current system setup, including some operational aspects.

Simulated, but operational, aircraft system
Consisting of: on the left-hand side the complete FuG 25a - in the centre the two interfaces (my own design) on the right-hand side on top the Philips PM 5193 synthesizer and below of it the display scope. The circular trace is, like in wartime days, painted by means of a first order Lissajous. Below it the power supply to the FuG 25a system.

The 'order' or Command spot visible just at due north (that the spots do not cover the entire circle perimeter is due to the camera exposure time)
These light dots originate from the simulated EGON signal which being also transmitted.

The experimental Rb unit on top of the Nachtfee console
The purple twisted cable-wires carry the Rubidium standard signal (15000 Hz) onto G1 of quartz stage 1 (Q1)
Left of the Nachtfee console Gemse the I.F.F. or Freund-Feind-Kennung receiver.

On the left-hand side on top the EGON PRF (502 Hz) synthesizer - below the R&S signal source - right of it the two pulse generators fed from sine wave signals (Nachtfee and EGON)
EGON PRF have to be interchanged because Nachtfee operated at a PRF of 500 Hz (15000 : 30 = 500).

Nachtfee console 'Order' or Command compass and the LB 2 control screen
CT 3379 constitute the once US inventory number to captured-equipment-enemy. I believe, that in contrast to regular practice CT might have stood for Captured Technology.
That the due north signal pulse is a bit weaker than the pulse right of it, is owing to the fact that the due north pulse passed from Nachtfee upwards, passing through the FuG 25a I.F.F. transponder downwards and the other pulse representing the actual aircraft time-base-phase (TB) was modulated onto the transponder TX directly.
The presentation was typical for its time. The pulse due north is the returning Nachtfee order signal which have passed FuG25a and received by GEMSE and controlled by the control scale left of the 'Order' compass. This provision had to be tuned such that the same signal vector of the compass (order) pointer appears on the LB 2 screen circle. If this was the case, the control-system was compensated for the parameter range or distance between Nachtfee and to be guided pathfinder aircraft (hence, had constantly to be realigned). The signal right of the returning order pulse constitute the aircraft time-base-phase-reference. Without this system parameter Nachtfee could not have been operated. It was essential to have knowledge of the current status of the aircraft time-base-phase (TB) in respect to distance or range.

Nachtfee guiding principle relied upon various system loops
A major principle, is, that the up-going signal route is in length or distance equal to the downwards going path.

The entire, rather complex, system control may be reflected above
For those really interested in the background history of our Nachtfee Survey and its realisation, I would like to advice consider my PowerPoint presentation:
This time explained it more elaborately
However:

Vaguely visible in the centre of the CRT screen are the two timing pulses, which allowed accurate distance or range adjustments
Maybe more interesting is on the right-hand side just visible: Freya-Polwender switch. This was an essential system provision. Its function first was, to interchange the two Nachtfee output wires; this only works as long as a system operates coherent.
Its operational function was to let jump the due north pulse towards due south (without touching the 'Order' pointer). This was the regular status, informing the aircrew that no 'Order' or Commando was yet valid. Every real action started, after some foregoing actions inside the Nachtfee ground station (cabin), with that the Freya-Polwender switch was set to normal operation, and the 'Order' or Command spot jumps to due north. After a certain time interval the compass pointer was being rotated clockwise slowly and stopped at a particular point; each spot- or blip-stop provided a particular 'Order' or Command (every 360 : 16 = 22.5°).
I cannot imagine what more can be yet investigated.
The always returning desperate call for suitable information on the applied technology within the Ju88S Pathfinder aircraft - is still pending.
We have to live with it, but we have come quite far, from knowing, virtually, nothing on 12 November 2011 and what we understand today; there is a huge leap in between!
(G)
On 8/11 April 2016
This time my approach originates from a luxury circumstance. I have been able to obtain a brand new Spectratime Rb module type LPFRS 01/10 MHz

The new Spectratime Rb-module LPFRS version 01 being mounted (replaced)

In front the older Rb module, mounted is the new LPFRS version 01 module
Luckily, from outside the new module as well as the older module, which once had been obtained from the internet, are having both equal dimensions and connections. The only extra precaution taken is to fit new thermo-conducting paste between the left-hand side of the Rb housing and the cooling block (frame). Without good provision the module would destroy itselfs.
I had expected that this product was made somewhere in Asia, but it apparently is a genuine Swiss product; originating from their "time centre town" Neufchâtel.
I must admit, that I am a freak for precision technology when available. An I had a chance obtaining a brand new device.
I suppose quite rarely one possesses the genuine test report accompanying each Rb-standard module.
What are the main specs of our module?
Final Control Report LPFRS
Program Version LP2-07
Fine adjusted code HEX F14
F0 = 10,000,000,000,0 MHz
Frequency change within operating temperature range: 5.2e-11
Long term stability: -4.05e-11/month
Analog frequency adjustment (probably for phase-lock purpose, AOB)
0 V 9,999,999,9853
5 V 10,000,000,0098
Open 10,000,000,000,0
Δ = 2.15x10-9
Digital frequency adjustment through serial RS-232 port:
C80 9,999,999,985
C7F 10,000,001,2746
Δ = 2.55 x 10-7
F80 9,999,999,9865
F7F 10,000,000,013.9
Δ = 2.74 x 10-9
Output level 0.5 Vrms +/- 10% / 50Ω 0.497 Vrms
Harmonics
H2 -43 dBc
H3 -28 dBc
Spurious
f0 +/- 100 kHz -80 dBc
Subharmonics -70 dBc
Warm up typical 1070 mA
Stabilized 310 mA
Program Version LP2-07
Number 261I Rev D
Some would like to know whether it was expensive? I only can say, not really for a high quality product, guaranteed for 10 years fulltime operation.
This latter aspect will not imply that we are intending using it this way.
Deo volente, maybe to be continued in due course
By Arthur O. Bauer