Accomplishing
New
Thoughts
Page initiated on 2 September 2013
Status: 24 September 2013
For those starting with studying this web page, please start from the top; as you otherwise will lack the understanding of the the course of this new experiment
+ 4 + 4a + 5 + 6 + 8 + 9 + 10 +11+12b
Showing the project results on YouTube 13
In the previous New Thoughts page
we have discussed the complications which we encountered in respect to the simulated aircraft display; where we operate transistorised interfaces. Owing to its simplicity the circuits are being operated in saturation as to conveniently cope with spurious signals. It is, however, found that these circuits may causing considerable transient delays. As to know its real value, the idea came up: why not reconstructing a circuit technique which could have been used during wartime days?
My genuine circuit design (see previous page)
This concept is the basis of our current experiments.

Those familiar with designing circuits will not too much wonder
The two valves involved are both type LV1 and the neon indicator is the coupling device between the anode of the first valve and G1 of the second valve. Using a neon lamp is rather convenient as it constitute a threshold of say 40 to 80 volts. Quite useful when operating a circuit which is fully dc coupled!
For convenience I have adopted a series of small potentiometers as to adjust easily the various parameters of the circuitry.

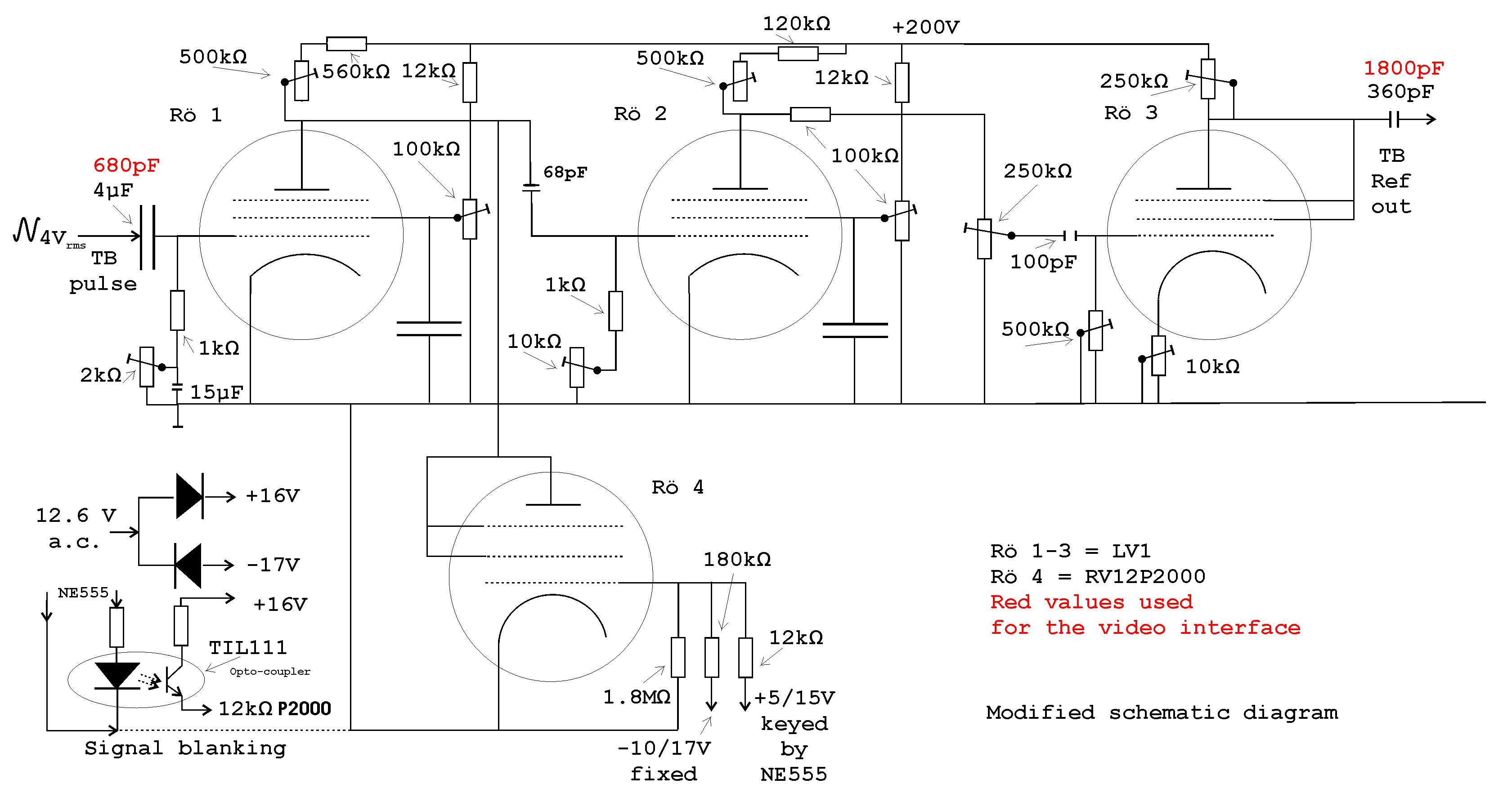
The full schematic for our experiments
The 10 kΩ resistors being implemented only as to prevent for overloading. The zener diode at its output is only for output level protection.
Considering additionally:
In first instance I guessed that a 1µF entrance capacitor will do, but a back of an envelope calculation told me that: RC = τ → 103 · 10-6 = 10-3, given that τ = 1 /ƒ → that the turning point is at 1000 Hz (where the signal phase has rotated over 45° equalling 0.707th (1/√2) of its previous signal strength). However, we operate at 500 Hz (= the Nachtfee signal PRF) thus we should increase the value of R or C (or both). I decided to increase the value of C only, increasing its value four times making it 4 µF. The turning point has become now 250 Hz, half the actual TB frequency of 500 Hz; we can expect that the signal phase will be influenced for only some tiny degrees. I would have preferred to couple the input directly (galvanic connection) onto the output of the PM5193 synthesiser, but I cannot judge whether the synthesiser output circuit can cope with this dc offset; albeit, that viewing it from the synthesiser output our circuit provides at least a 1 kΩ series resistance. Maybe its manual will provide the correct information.
The first problem encountered was the fact that the 4 Vrms of the input signal did not allow first order differentiation without introducing some kind of distortion; and/or without a considerable drop in pulse amplitude. Then I remembered that we have encountered the same problem in conjunction with the transistorised interface some time ago and that I then decided to operate the (transistor) amplifier without it; thus feeding it with a sinewave signal directly. However, having in our hands all possible operational parameters and watching how the circuitry responds, it was quite easy to find the correct valve settings.

Viewing the situation where the sinewave being fed onto the circuit input
Please notice the small neon lamp in front which is indicating that sufficient voltage drop is apparent. On the far right the scope is showing the resulting output signal of the circuitry.

Viewing now the situation with interrupted input signal resulting in a low output level
Hence, this circuit is obeying like a logic device. Please notice that the signal output is only the result of the circuit technique! When the pulse duration is too long additional differentiation is necessary. Which by the way needs special care, as a simple first order network will respond onto the up- and down going pulse slopes; causing two trigger pulses.

Comparing the two recent photos with the above shown pulse chart.
It is quite astonishing that with so simple means this can be
achieved. However, chart 2 was drawn before I decided to feed the first valve
with a sinewave signal, thus at its anode the actual signal is different than is
shown here; maybe chart 3 a bit as well. In
the afternoon additional measurements series showed that the actual signal at
the anode of Rö 1 and G1 of Rö 2 are still in accordance with my
hypothetical considerations. The left-hand vertical phase line constitute 0° and the
right-hand one 360° of the sinewave cycle.
When there is no input signal the output will remain at a low level.

We are viewing the signal available at the anode of Rö 1 (number 2 in the above time chart) and the input side of the neon indicator
Monitoring the output side of the neon indicator lamp which is directly connected onto G1 of valve 2 (Rö 2) (time chart number 3)
It is evident that the signal equals the time chats above.
In the afternoon of 3rd September Antoon Steenbakkers came along and we discussed the application of a neon indicator lamp as a dc coupling device. He commented, that its application might causing a considerable delay on itself owing to its chemical ignition nature.
We went to the MLK lab. and we investigated what its actual delay is.
One probe being connected onto the anode or input side and the second probe onto the connection which feeds G1 of the second valve (Rö 2)

It is clearly visible that the ignition delay of the Neon indicator lamp may be neglected
There exists only a tiny transient delay. Please notice that one PRF cycle of 500 Hz lasts 2 ms or 2000 µs. The transient delays encountered in our current simulated Nachtfee system in respect to the returning TB reference must be, for whatever reason in the order of 250 µs, what is measured here shows that the ignition delay can be neglected fully.
It was, however, also tested whether it is possible to replace the neon indicator lamp by means of a resistor. This was without readjusting the valve parameters possible. After adjustment of a small variable resistor 470 kΩ it proved to be a practical value; although some additional distortion became visible on the scope screen, but might be considered of minor importance. As this was only an experiment, this device being removed and the neon indicator inserted again.
First, I will provide at the in- and output connections both BNC female connectors so that all existing coaxial cables can be interchanged instantly. Very handsome when we have to switch between both the existing transistor- and the experimental valve interfaces. Maybe two interchanging switches will do as well; taking two might prevent cross-talk.
The next step should be testing what difference it make operating a transistor or a valve circuitry in respect to transient delays. I expect, that the in- and output signal will adapt straight away onto the existing situation.
On 4/5 September 2013
Time has come to move the experimental circuit from the MLK lab. to the Klooster premises, where it should replace the transistor TB interface, which converts the sinewave signal source (PM 5193 V) into a pulse signal to be fed onto the common pin 9 connection (@ test connector of the FuG25a IFF unit), where in- and output combine (please notice on the next photo the test-connector at the front panel (black box) on the top left-hand side).

The experimental setup just adjacent to the simulated Nachtfee aircraft display system
It soon proved, that the sharpness of the pulse slope was insufficient. Then I came up with the plan to implement a kind of first order differentiation within the LV1 circuitry. The best point for it is replacing the neon indicator lamp by means of a small capacitor. This works wonder well! The only thing necessary was to adapt all valve parameter settings.

The neon indicator being disconnected and some of the temporary modifications visible
For example, the provided negative bias can be skipped; likely by simply disconnecting the negative voltage lines and fine tuning it by means of the remaining 2 kΩ potentiometers. Cx is to be determined experimentally. For it the 13V zener diode has been disconnected as I have increased the amplitude of the TB reference pulse for the time being. However, the bottleneck is - the steep slope at the wrong side of the pulse!
Resulting in:

Please compare the pulse shape wit the previous screen-shots
Where we are looking at is quite promising but, what we actually encounter might, nevertheless, causing headache.
One query - being the reason for our experiments*, does this valve circuitry fulfil the aim of this experiment?
(*eliminating the considerable transient delay caused by the application of our transistor interface)
Yes, as we can see it definitely does! (IFF being switched-off)
The spot about due North is the TB reference pulse fed onto the common test pin 9 (where both the IFF/Nachtfee- as well as the outgoing TB ref. pulse are existing. We have some time ago introduced a cancelling circuit (NE555) which blanks the existing TB ref. pulse on demand; for this experiment we have neglected this provision.
But how much does the transistor transient delay differs from the odd valve circuit?

The old situation being re-established by simply interchanging BNC connectors and we can clearly notice that the TB ref. spot is painted, say, 5 minutes past the hour, whereas on the previous photo the TB spot is facing about due North.
My brief estimation that viewing in the domain of time we can say that the difference on the crt screen is about 22.5 degrees (choosing a convenient figure). Hence: 360/22.5 = 16 the duration of a PRF cycle lasts 2000 µs → 2000/16 = 125 µs. This is half what we have calculated in the New Thoughts 1 chapter previously, where we measured on the Nachtfee LB2 control CRT 250 µs.
One thing is clear: replacing the transistor interfaces by valve controlled circuits is, in our case, reducing the transient delays considerably!
What is causing the current experimental down-sides?
Please view the first screen-shot. The steep slope is not at the up-going side- but at its down-going cycle; and the following first order circuits have difficulty coping with it. Apparently, also the FuG25a IFF transmitter keying circuit. We need thus to interchange the up- and down-going slopes; but how? Of course, without extra components and using wartime technology only. The origin of this phenomenon is being caused by the fact that the signal source is a sinewave. What might bring a solution is extending the circuit with additionally one or two more valves.
On 8/9 September 2013
I continued some experiments and used additionally for it an already existing pulse forming module/amplifier consisting of 2 x EF14 valves. This was necessary, as we have previously noticed that the up-going pulse slope is lacking sharpness. It was found that by this means it is possible to transmit TB reference signals towards the Nachtfee console. It was, after some trials, possible to paint the TB reference pulse about the same LB2 screen vector as is painted the returning Nachtfee order reference signal (previously we encountered a deviation of about 45°). However, this might causing difficulties as alignment being only possible by a great deal of trial and error; one do not know which signal blip belong to what particular origin (returning Nachtfee 'order'- or TB reference). However, the ominous Freya-Polwender switch (on the Nachtfee front-panel) is helping us rather conveniently. Operating it will let the returning Nachtfee order signal jumping over 180°; whilst the TB reference will stay still at its vector (as long as it has not yet moved owing to non synchronous time-base errors). This will, however, after long enough operation be diminished due to an equilibrium that is reached after say, 3 hours of continuous operation. Whether this was in wartime days an operational option I doubt strongly, but our objective is to reconstruct the Nachtfee system technically. Albeit, that the reconstruction of the aircraft system is still hypothetical, because we lack further technical information. There can, nevertheless, hardly be a doubt that in some way or another it must have been as we have reconstructed it hypothetically (principle techniques only). The aim of our recent experiment is to investigate whether the encountered curious time-delays are likely originating from our transistorised interface technology. Is it possible to overcome this downside by using wartime technology?
Yes, it truly can!
The next step is building a properly designed valve controlled interface on a chassis, based on our recent experience.
On 10/11/12/13 September 2013
Those familiar with the inner fire of experiments will not wonder that what sounds reasonable is not always practicable. Hence, I have decided to accomplish a new experimental series, before building a proper prototype on a chassis.

My continued experiment adding a third LV1 amplifier stage
The TB pulse shape is becoming more promising since.
In this case adding an additional amplifier stage
Getting it in PDF please click on the drawing
My first thought was, to use the third valve stage as being a "cathode follower". This works, but its signal output is far too low (the voltage amplification being always < 1).
My next step was adapting the third triode stage as a 'cathode base' amplifier, still wired as a triode. This works wonder well, after having increased the coupling output capacitor.
Our main problem is not only obtaining a nice signal - but it should also be able to trigger the IFF transmitter and the Z-channel properly!
One may wonder about the adaption of so many potentiometers. The reason is, that by this means we are able to optimise the pulse shape behaviour of the output signal. Calculation is hardly possible, as the resulting optimal pulse-form is not known in advance. It is found, that this circuit operates rather stable, the anode voltage can be changed over more than 100 volts downwards without the signal output failing to trigger both the FuG25a transmitter as well as the 'getting through' of the TB pulse shown on the simulated aircraft display.

The spot at due North constitute the TB reference pulse (painted at the simulated aircraft display), which is injected at pin 9 of the common test connector of the FuG25a IFF transponder, and thus is being transmitted towards the Nachtfee console; but at the same time is passing through the transistor interface channel towards the Z-input of the oscilloscope.
In the foreseeable future, the Z-channel interface will also be replaced by a valve controlled circuit, which will cause a TB spot rotation anti clockwise. Because, its transient delay is expected being far lower than the current transistorised interface.

Viewing the current situation at the Nachtfee LB2 control CRT
The pulse at due North is the regular returning Nachtfee 'order' signal, which signal vector being regulated appropriately by means of the 'Range offset' control. The pulse at just over 15 minutes pasted the hour is the not yet synchronised and controlled TB reference pulse.

The new situation, where the pulse blip due South is the Nachtfee 'order' pulse when operating the Freya-Polwender switch (causing that the otherwise due North facing blip is now pointing at due South = 180° signal phase rotation). The just a few minutes past the hour is the TB reference blip vector (adjusted by the 'Phase' control)
The blip at about 1.5 minutes past the hour is originating from the TB reference pulse, which passed through the newly designed valve interface; giving a transient delay of about 50 µs compared to previously 250 µs.
We, however, still face a deficit which might originate from the fact that inside the Z-channel interface we still encounter quite large transient delays. To get a final idea what the ultimate improvement will bring - we need to build a second valve interface unit as well. However, we should first getting enough experience with the new valve techniques under development. Please bear in mind, that the background idea is - employing wartime techniques only.

Please compare the above photo with the previous one
It is evident, that the TB pulse is here showing a quite longer transient delay compared to the previous photo. (please notice, that on the LB2 control CRT - advancing runs anti-clockwise and that delays will causing a clockwise blip rotation)
We still have experimentally replaced only the TB reference channel by a valves controlled circuitry. Though, we still operate a transistorised interface between the IFF unit and the Z-modulated scope channel. We may assume, that this channel will also reduce transient delays, which will go into the overall system alignment. A future concern is the implementation of TB blanking by means of a NE555 asynchron timer system. On the same time combining its circuitry with newly developed valve interface. For it I have two ideas - using the suppressor grid (g3) of the first or second valve stage or, using an additional RV12P2000 that blocks a channel somewhere in the signal line. The art is, finding a way without the necessity of using an additional negative voltage source.
On 12/13 September 2013
This time the additional blocking stage is implemented successfully.
Keeping the circuit elementary simple - Rö 4 is constituting a low Ri (making G1 positive)
Brief experiments show that -10 to -15 V is a sufficient value to block valve conductance entirely. The negative value (loading) at G1 of valve 4 can simply be turned into a positive value by an external positive voltage. The two voltage dividers being dimensioned such that the positive blocking voltage (causing a low Ri) always overturns the negative de-blocking value. The only thing necessary is that this source is behaving like having an open collector when keying (signal blocking) is turned off. When this is not possible, some minor provisions should be taken.

This photo shows the situation where the interface is not being blocked (No positive volatge supplied) and the TB signal is send towards the IFF set. The RV12P2000 socket is the brown one in front left

The TB interface signal now being blocked by an external + 5 to 15 V dc. Please notice the red alligator clip in front
On 21 September 2013
In the meantime I have build and tested the two valve controlled interfaces.

To keep it simple I used the in Holland once highly popular so-called 'Uniframes' supplied by Amroh. Viewing the new video interface
I first built the TB interface, and secondly the video interface between the FuG25a IFF output and the simulated (the above photo showing the latter one)

Both circuits are equal with the only exception of their in- and output coupling capacitors (the red ones are used for the video channel)
Generally it proved, that in contrast to the open wired version the definitive concept necessitated here and there some minor value changes.

The video interface delivered, as does the TB interface, an output pulse shape completely independent from its input, be it fed by a sine wave, saw-tooth, or a square wave, the output pulse form stays constant. Even the tiny pulse response in the positive direction can be removed by proper alignment
The HT is having minimal effect upon its overall response. The interface consumes at about 200 V HT 7mA.
Hence, the future requirement of a transformer for both interfaces together (with a safety margin): HT 20 - 25 mA filament demanding all-in 1.5 A. A provision of say 175 ac will supply about 247 V dc, leaving enough room for smoothing.

Viewing both the TB and the video interface
The application of a RV12P2000 is optional, as it can be used later for signal blocking. This option is used when the TB signal is to be interrupted during the IFF signal being displayed on the simulated aircraft screen. But also the video signal can be blanked when the TB signal being supplied onto the mutual pin 9 of the FuG25a test connector. This provision can be skipped when later experiments will prove that the TB blip is shown at due north. Which is not yet tested. Please notice also the web-page on the NE555 circuitry

Finally viewing the control board side of the TB interface
Our gain is, to build interfaces using wartime techniques. So far it proved that using a single interface channel (TB) the transient delay being reduced from 250 µs to 50 µs. However, the implication of operating two interfaces cannot yet been overseen.
On 24 September 2013
Time is right to test both modules under practical circumstances

The new interfaces being connected and viewing the passing through of the TB pulse
Although, it might look as if the signal is appropriate it is, however, not for a proper light spot on the simulated aircraft display.
After some minor adaptations both the TB as well as the video interface started working. Their different only is that the video amplifier is prepared for a wider spectrum because of the steepness of the IFF transponder pulses. In contrast the TB interface is adapted to cope with a sine wave input. It was encountered that the interface is loading the PM5193 generator output in a capacitive way and herewith reducing the generator output a tiny bit. When you look carefully in the following screen shots you can notice that the painted circle is becoming a tiny bit elliptic. I have not given this phenomenon any attention, but it can be easily readjusted.
It was found that the current TB spot visible a few minutes past the hour is originating from HF interference. During our ongoing experiments I sometimes got the feeling that the local HF field is playing some role, but never really could prove it yet.

We are viewing the situation where the IFF transponder function being interrupted by means of setting the keying se;ector switch in a neutral position (BG25a)
The Nachtfee 'order' signal still being received and far less visible is the TB reference pulse which is, as we know, is fed onto the common test pin 9 of the FuG25a test connector. This pulse is damped by the low in- and output capacitances of the video interface (1800pF)

The IFF function being activated and we clearly see the result of HF interference
What is most likely happening is that the nearby HF field is being picked up by the input stage (LV 1 = Rö 1) of the valve controlled interface. Similar phenomenon have been encountered with previous transistor controlled interfaces.
I have tried several kinds of low-pass filters, but their effectiveness was either infective or when HF chokes being operated a ringing affect occurred.
The 'ringing effect' effect due to LC filtering is clearly visible
The spot rotation is clockwise and the ringing ripple following the TB spot (a few minutes past the hour) is clearly visible.
Another phenomenon is also visible at say due south, which belongs to 'legging behind' of the painted 'order' or Command signal at say 35 minutes past the hour.
A delayed 'order' signal is also in the first screen shot in the series visible but having a minor brightness compared to the real 'order' spot.
RC filtering is causing a too high signal damping and thus video signal level.
Our plan is to adopt so-called ferrite-beads; pulling them over the critical wires. These should have a damping effect as the ferrite is having at high frequencies a relatively high loading-loss.

The sharp pulses constitute the TB reference pulses, the weaker signal constituted the Nachtfee 'order' pulses
When we consider the timing of the TB reference (painted a few minutes past the hour), we could estimate at instant screen vector of the actual Nachtfee 'order' signal.
On 26 September 2013
We still wondered, where the brightening of the screen spots might originate from?
My first action was to implement here and there ferrite-breads, which reduced some effects a tiny bit, but still leaving the phenomena intact.

Viewing the painted spots when the IFF transponder function being interrupted (switched off)
The spot a few minutes pasted the hour is the residue of the TB reference pulse, which is still being fed onto the same contact as where the Nachtfee 'order' signal is derived from. When we take a closer look we notice a second less bright bright signal following the spot at, say, twenty minutes to the hour. Its origin is not yet determined. During my experiments yesterday it appeared in my mind that it might originate from somewhere around the simulated Nachtfee/EGON ground transmitter.
But why?

Again viewing the Nachtfee 'order' or command spot with its shadow (Trabant) signal

Screen shot of the painted signal in the previous picture
The neighbour signal is clearly visible. For a better understanding it would have been better when I had triggered on the temporarily smaller signal.
Though, we still have to investigate experimentally where the brightening originate from when the FuG25a IFF transmitting mode being activated.

I guess that a combination of factors are causing this annoying phenomenon when the IFF set in operation
A certain amount of the transmitted energy entering the receiver front-end circuit again, which is quasi saturating the detection system. The 'Trabant' spot to the Nachtfee 'order' may originate from the ground circuitry.
I have already prepared for a blanking facility (RV12P2000). As to keep it simple, I would like to operate the existing NE555 controlled timer switching circuit. Using its output to feed two TiL111 opto-couplers. By this means we possess an optimal galvanic separation between the valve controlled stages and the transistorised interface module. I know, of course, that this does not obey to wartime techniques, but it only constitute an auxiliary provision to get rid of the TB reference spot for the time being.
During the first experiments the screened cable connected onto the was having two series of coupling capacitors. To keep the entire process between the FuG25a test-connector onto the new video interface as well as the TB reference interface these capacitors should now being integrated into the modules. Their heavier output capacitances should be reduced as to cope with the new situation. The originally introduced out- and input C caused a loss of the FuG25a interface signals. After new dimensioning it all work appropriate again.
When you compare the in- and output capacitor values with a previous schematic the small modifications a clearly understandable, in the context that the previously existing Cs constituted a match between signal levels and its circuit loading
The red value at the input side is only valid for the video channel
On 1 / 2 October 2013
A new approach is undertaken to integrate both the new interface signal blanking and the already existing NE555 variable timer circuitry. Its purpose is not varying the frequency but its on-off duty cycle.
For it I took a very simple and widely available opto-coupler type TIL111
An open wire experiment is our first approach. What worked fine previously refuses now to accomplish what it is supposed to do. The Ri of the conducting RV12P2000 is too high for being wired in parallel with the quite low resistance load of of a few kilo ohms of G1 to Rö2. After some brief experiments, I chose instead for blanking the anode circuit of Rö1 (killing its anode voltage during the switched off cycle). By-passing it by the Ri of the conducting RV12P2000 works fine.

The modified schematic
For simplicity I have skipped the smoothing Cs to both the -17V and +16V. I don't know why their values are not exactly equal. However, a single volt difference is for this experiment of no relevance.
The series resistor in the TIL111 led is to be matched with the driving voltage originating from the NE555 circuit.
Today 2/3/4 October 2013
The just discussed alternating timing circuit is being tested experimentally. The results are showing that this modification is useless!
But why?
Let us first going back to one of the recent screen shots

The weak pulse spot just a view minutes passed the hour is the remaining TB pulse. Suppressing this residue is not worth giving it much attention
The mode selector set at a neutral position (BG25a)
In this mode the EGON as well as the Nachtfee signal cannot be controlled, and thus regulated, on the ground. The ground control function is essential in the Nachtfee system, because the aircraft is changing its distance constantly which should be compensated for by means of the what we designate: Range offset. Secondly, the Nachtfee 'Phase' control is to bring in line the the returning TB reference pulse with the internal Nachtfee reference. So that under all circumstances the Nachtfee 'order' or command spot arrives just at the correct screen vector.
Please bear in mind, that without any control (corrections) on the ground the 'order' or command spot vector will moving on the circular aircraft display constantly. Because, Nachtfee transmits a signal phase that, theoretically, does not change in the domain of time. When an aircraft moves away from the Nachtfee site, the signal takes every pulse cycle longer to arrive at the aircraft 'order' or command system (screen). Causing a spot vector rotation. In some way or another, this phenomenon should be controlled in such a manner, that first distance between both the Nachtfee ground station and the airborne vehicle is to be taken into account. This control we designate 'Range offset'. Its correct adjustment by the Nachtfee crew is done by special means on the two CRT screens. (Please notice the third photo downwards). Its correct setting is shown on the smaller right-hand LB2 CRT. Facing here at due South - in this case owing to 'Freya-Polwender' operation - it otherwise will point, like the perspex compass pointer, at due North. The LB2 signal at a vector of 40° is the returning TB reference signal origination from the simulated aircraft internal time base (clock). Not only that it is uncertain what the actual aircraft time base phase is, but, like the ground signal, the TB reference signal will also causing a vector rotation on the LB2 CRT screen owing to changing distance. The Germans have designated a special Nachtfee control 'Phase'. There is no means whatsoever available at the Nachtfee front panel knowing what this 'Phase control' actually is doing! What it doubtless does is changing the actual signal phase of the (entire) Nachtfee data signal. Tuning the 'Phase' control is, however, causing an offset of the actual transmitted Nachtfee data signal (can be changed between 0° and 360°). Consequently, without an additional returning time-base-reference-signal originating from the aircraft the 'order' spot could take any vector position! The Nachtfee system has to cope with two kinds of transient delays. One caused electrically, the second one originating from the fact that an airborne platform moves in a direction and thereby changing the phase of the arriving signal. When at the Nachtfee front panel the range or distance is taken into account (Range offset), the aircraft time-base-reference is also having the same delay as does have the Nachtfee transponder signal. But this is already taken into account by means of Range offset. The matter that has to be controlled, call it compensated for, is the electrical delays in the electronic circuits (transient delays) and of course, distance. This proves to be a systematic deviation. In our case, when the TB signal vector being kept at say 40° we are sure that the Nachtfee data vector will be pained at the aircraft display exactly in concert to the 'Nachtfee ' order' or command compass! All deviations, be it caused by transient delays bridged in space or electrically will be kept under control by the Nachtfee 'Phase' control setting.
It all may sound complicated, but understanding the fundamentals of Nachtfee is indeed rather difficult.
The entire Nachtfee principle plays within 'the domains of time'.
Simply, because every Nachtfee pulse cycle takes 2000 µs, which equals an operational distance of 300 km maximally (600 km : 2 as, like in radar - the Nachtfee signal bridges distance twice).
One example: when a Nachtfee pulse is 500 µs 'underway' it bridges a distance of 150 km. But, the aircraft time base, call it its internal clock, does not know this time offset, as it should run (theoretically) synchronous to the Nachtfee console clock. Distance, thus time, is a fundamental parameter to be count with. Both, the Nachtfee consol should have knowledge of their mutual distance and the ground crew should have knowledge of the actual aircraft clock-phase in the domain of time. Because, this 'time' information takes time to bridge the gap between the airborne platform and the (controlling) ground system. They have one aspect in common, their upwards and downwards distance is equal. Electrical system delays being a systematic factor, which can be taken into account.
However:

This screenshot shows the situation on the simulated aircraft 'order' or command display when the IFF transponder is operating
The only reason that I can think of is that what is being highlighted is originating from the fact that the FuG25a (IFF) transmissions being intercepted by its own receiver channel again.
I don't know what the reason is. It might be possible that the AAG25a antenna matching is mall functioning. But, where to obtain another one? Whatever means undertaken, the highlighted TB pulse will under all circumstances (in our current situation) being visible as it appears at the same time as does the 'order' video content; discrimination being no longer possible.
Why putting further efforts as the downside cannot be eliminated?

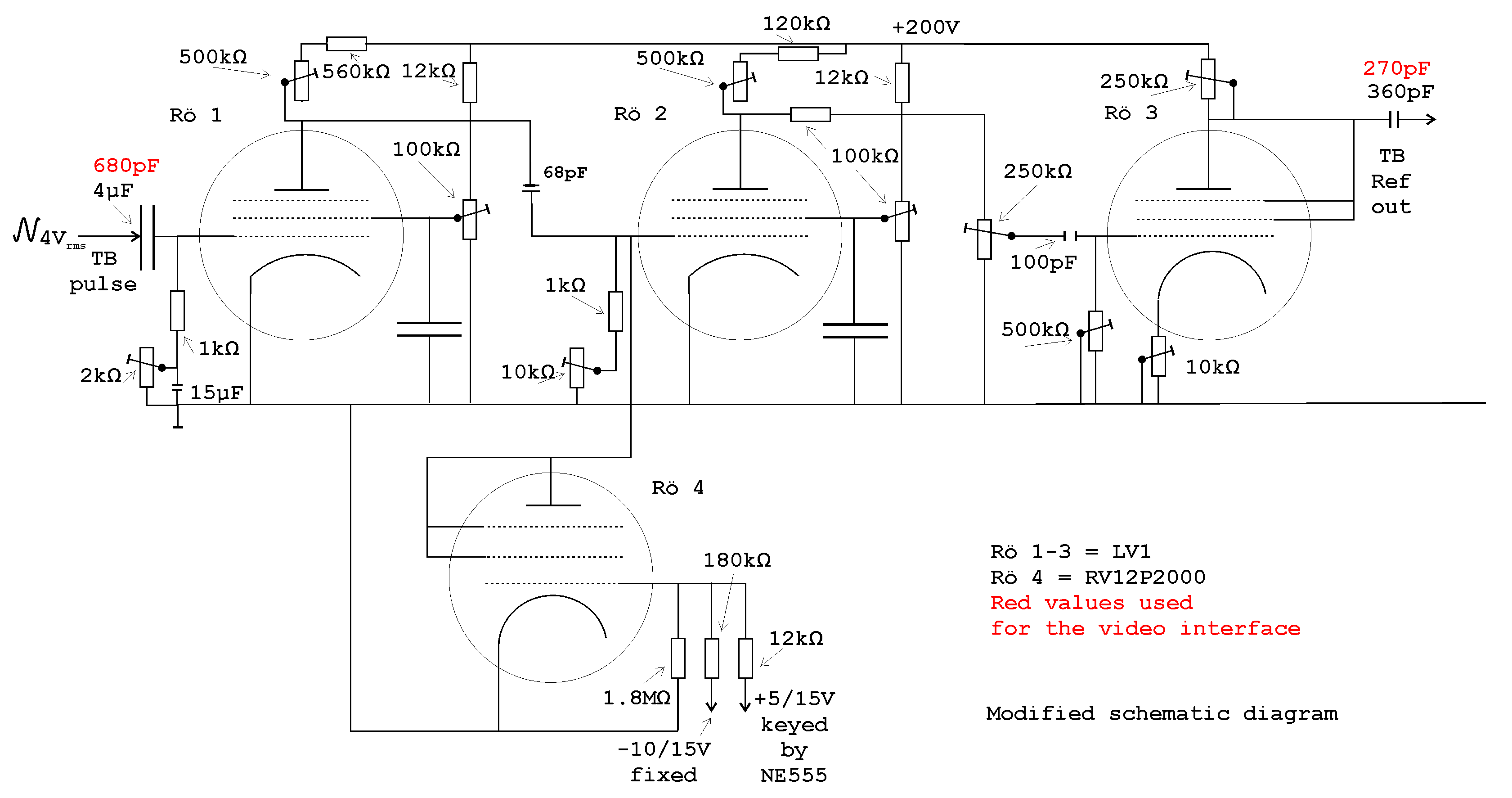
This schematic is the final version which should be kept operational for the time being
Its behaviour is superior compared to the transistorised interfaces in use previously.
Please bear in mind, that within transistorised circuits we have to cope with rather low voltages, where sometimes less than 1 volt difference is being decisive. In contrast, in valves circuitries we deal with differences of hundreds of volts. Separating spurious signals from low level variations is thus a more delicate job. At least demanding more effort than the three valves involved, when we consider a valve being replaced by a single transistor! We operate, as you might remember, combined EGON/Nachtfee signals.
Our aim is using techniques available during WW II.
A downside is that we need an extra HT transformer and a more bulkier power supply, but the high quality of its performance is compensating for this nuisance.
Later that day
After having add this section I went again to the museum and removed all experimental circuits. After reshuffling and some cleaning the following situation is established:

Both interfaces being mounted side-by-side. Also the coaxial cables connected more soundly. On the left-hand side the video interface and on the right the TB reference interface. Basically equal schematics, they only differ in respect to different values of the in- and output capacitances. The T-connector on the right-hand side of the left-hand interface is the central signal in- as well as output connection coming from the FuG25a central test connector pin 9
Hence, for both interface the signals travel from right to the left-hand side.
On the simulated aircraft display we notice the bright spot due South showing that the Nachtfee console is operating the 'Freya-Polwender' mode. The spot just a few minutes passed the hour is the highlighted TB reference signal owing to the phenomenon just discussed above.

Viewing about the same time the front panel of the Nachtfee console
Just right of the left-hand side CRT we see the 'Freya-Polwender' switch. When you look closely you can see that its arm (handle) is being set downwards, indicating Polwender operation. This position is causing a signal phase change of 180°. Please remember, that the Nachtfee 'order' system is behaving coherent.
Viewing the big compass like scale which represents the Nachtfee 'order' or Command setting. The small perspex (plexiglas) pointer is facing still at due North. Though, watching the previous photo the 'order' spot is facing at due South. Would the Freay-Polwender switch being set upwards - the command spot is also facing due North.
The right-hand LB2 CRT is the main controlling screen. That the due South pointing spot is at the LB2 CRT facing also at due South is controlled by means of the illuminated control scale just left of the 'order' compass. I have designated it 'Range offset'. It is only having an influence upon the time-base-phase of the two controlling CRTs. That the 'order' or command spot is brought in line with the actual 'order' vector is due to setting the 'Phase' control appropriately (down left of the command compass). Its control-status is indicated by the spot or blip at 40 degrees. This vector has been proven all the time that this is the 'Phase' offset necessary to paint the correct 'order' vector at the simulated aircraft display. That at the previous photo the 'order' or command spot is facing exactly due South is only possible by having set the 'Phase' control setting at 40° on the LB2 control CRT correctly.
For better understanding we would like to explain today more in details how the two interfaces being interconnected onto their signal source.

We trust that this line drawing is self explaining
Please compare also the second previous photo.

This drawing is fully in line to the previous drawing. Both constituting the same data exchange principle
Please notice, that this drawing has been used before and Rö 1+2 (TB reference interface) equals Rö 3+4 (video channel). Both schematics are equal, the only difference being the in- and output capacitances. We actually are using ultimately three interface stages as to maintain its superior performance.
On 25 October 2013
Time has come to you the project results in a more dynamic way.
Film 97: Overlooking the new Nachtfee setup of our simulated aircraft system. On the left-hand side we see the FuG25a transponder down in the centre the newly designed interfaces this time fully controlled by valves. It has proved, that its circuitry can cope far better with the signals than does a transistorised system. Especially in respect to coping with HF signals. The interfaces are far less sensible to spurious signals like noise and that like. Which always are apparent in real environment. We built two interface modules, which electrically are equal, the only difference being their in- and output capacitances. It has proved that what ever signal wave-form is supplied very sharp pulses will coming out of it. (00097)
Film 98: Looking at our FuG25a set up, the control box (BG25a) at the right-hand side is indicating that transmission is being pulsed. This indicator indicates that real HF is apparent. (00098)
Film 99: Viewing more in detail the simulated aircraft system with on top of it the sine-wave TB synthesiser PM 5193V. Operating currently at 506.0312 Hz. Over some hours operation of the entire Nachtfee system, the system has quasi found an equilibrium. Tiny phase difference will be noticed in the way that the 'order' or command spot (blib) will rotate clock or anti-clockwise. What is causing it is uncertain. We may expect, that all variable factors are causing it. The PM 5193V internal time base - the internal Nachtfee time base and likely the non-linear warming up of the Phase goniometer controlled at the Nachtfee ground console panel. In the early days of the Nachtfee project, it was already encountered that when the goniometer rotor, thus its search coil, vector was changed that it took awhile before a new equilibrium is reached. Please bear in mind, that the 'Phase' control is an essential control, as it has to align the correct (quasi synchronising) vector of both the original Nachtfee order and what is being shown at the aircraft display screen. The continuous changing factor of distance is forcing its application! (00099)
Film 100: Discussing the implications of that we monitor at once both the receiving + the transmitting signals. Owing to the circumstance that signals are being handled at a single pin for both in- and output. This makes the system sensible to these kinds phenomena. Please notice, that the shadow pulse is in reality legging behind, as the time base rotation is clockwise! (00100)
Film 101: Showing the combined signals of Nachtfee 'order' or command as well as the EGON like signal. EGON was the secondary radar, which was being operated in a special way as it was acting as a regular IFF signal, but its response was also used for measuring distance. The EGON signals looked like normal radar signals and used the Freya 500 Hz PRF. Whereas, our Nachtfee currently operates at a PRF of 506.0312 Hz. The 6 Hz difference looks small but these signals do not cause misinterpretations, as one is coherent and the EGON signal is not. (00101)
Film 102: Showing the previous film content but a bit differently. (00102)(skipped)
Film 103: Viewing the two newly designed interfaces. The left-hand one is being fed from the FuG25a test pin 9 output as well as from the right-hand module which is being fed from the time-base synthesiser PM 5193V; its output being fed onto both the left-hand side signal input but this signal is also galvanic linked onto the FuG25a test pin 9. Thus signal flowing both ways. The left-hand interface coping thus with the Nachtfee ground signal as well as the time-base reference or TB pulses. Its output is being fed onto the Z-channel of the oscilloscope. (00103)
Query: Have we ultimately reached the project conclusion?
No!
It is my opinion, that we should try first to get a mathematical description of the Nachtfee command system loop.
It has to be noticed though, that someone acquainted to this matter should accomplish this aspect.
To be continued in due course
By: Arthur O. Bauer
Please return to: the genuine New Thoughts 1 page