Radione RS 20M transmitter and R 3 receiver restoration Survey.
Hans completed already his RS 20M restoration project
and
time has come to dedicate attention
at
The Radione R 3 (R3)
Receiver
Status: 23 June 2020
With YouTube film 2
Due to our Corona limitations, I only joined his project occasionally.
However,
in the meantime, I practically join Hans now, more or less, again - about half his time dedicated to us on Thursday.

W. Metzelaar (PA 0 MM) obtained both suitcases: containing our RS 20M transmitter and the receiver type R 3, about February 1946; which both are in our possession, since 1979.
This plate gives: Type R3 No. 4501 (of which I don't know whether it reflects a real serial number, or that the number series reflected a serial number in use of his own technical apparatus serial production.
Power consumption ca. 30 W.
Metzelaar produced in the 1950s, maybe even 1960s, HF and VHF measuring gear; viewing this quite professional plate, we may consider that he did so also in the 1940s.
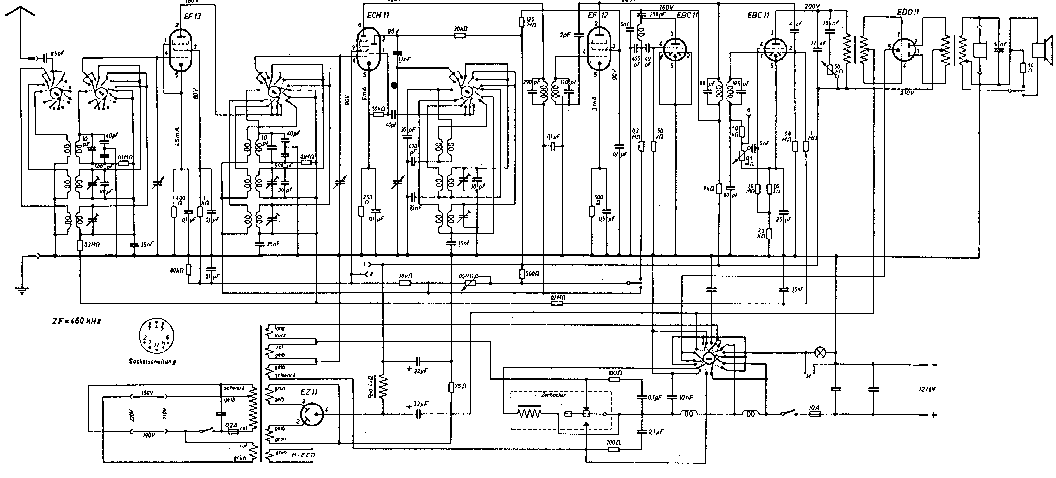
Let us first getting an idea of the according R 3 schematic-diagram.
Re-drawn schematic of the Radione R 3 receiver; which is easier to understand than the complicated genuine "Schaltbild"
The data available to me, has been made in corporation by both: Bert Scharnhorst and Walter Wiesmueller.
It has to be noticed: that the various modules R 3 and RS20M were delivered in various voltages. Our two sets, which we may consider belonging together - being marked for 24 V battery operation, of course, neglecting 110 V, 150 and 220 V mains ac.
The main difference constituted the wiring of the valves, as these had, for battery operation, directly to be derived from the supplying battery voltage.
Its concept is quite general, albeit: that as to enhance amplification and selectivity - the IF amplifier was operated, near to its "negative feedback point". In this case the valve circuitry is creating a negative resistance parallel onto the input (IF) circuitry. The art is it - to design it operating stable - and employ the "nearby positive feedback" point of operation.

We are viewing at Hans' capacitor "Ersatz" replacing the capacitors shown next
which quasi exploded when these were operated for not yet 30 minutes at a reduced line voltage

The white remains of it is visible on the most left-hand side electrolytic capacitor
let us be aware that these were likely produced in 1943/44, and, I suppose, once manufactured in Italy.

As to safe space and rare high-performing magnets, the so-called "electro-dynamic" loudspeaker were quite widely used in the 1930s and therefore also during the war, at least on the European continent
The yellow device is a bi-polar electrolytic capacitor (not yet mounted) the metal construction left-top in the background, should screen off from the power section, also screening off the vibrator circuitry.

The screening cover placed
But careful provisions had to be made.

Please view carefully on the left of the transformer
It is evident that precaution has to be maintained, as during replacing the cover screen, their is a reasonable danger of damaging the outer windings.

A better vision on Hans' precautions taken; the black tape is good visible
Viewing the wires, then we know it concerns the audio output transformer; by the way, the output valve is type EDD 11 thus a double-triode, hence a push-pull circuitry.

Quite difficult to explain is why the tuning-shaft was to be adjusted onto an invisible pertinax disk on which the tuning-scale is mounted. When the mutual friction isn't considered than, for example, the disk-teeth can be destroyed
A smooth friction is essential. Fore it the tuning-shaft including gear can be adjusted vertically (mainly).

The second step

The third step
Now with some smooth moving up or down towards the scale sound backlash and rubbing can be adjusted.

A close view at the pertinax scale-disk and the tuning gear
It is, in my perception, quite essential to prevent to high or to low pressure - between the two gears.
By means of the shaft and its mounting, explained before, can be positioned more or less away from the pertinax gear wheel.
The Germans expression for such an adjustment is: "mit Fingerspitzengefühl"

Hans Goulooze, once bought some scrap parts of a Radione R 3 receiver
Shown here is a good example what can happen when the gearing frictions isn't adjusted correctly
Please notice the screw in front.
Its purpose is - together with a device on the Al disc in the background to block mechanically both scale ends; after it revolved a given number of rotations.
As we always - we have to take in account what the tuning limits are of the classical three-fold tuning capacitor (Abstimmkondensator) is, as its constructing doesn't allow any over-loading.

Hans is checking whether - after closing the front-panel cover, all still operates fine
(2)
On 16 June 2020
We are approaching the conclusion of Hans Goulooze's Radione R 3 Survey
An additional PDF explanation should, Deo volente, follow after chapter 2

Today we would like to show you something exceptional
Please consider the Kabelanschlussschema R3 / RS 20M
Constituting interconnected a real wireless station.
I omit to call it a W/T station, as this consideration allows also telephony operation.
However, during our operational video recording we discovered something, that hardly one was aware of: when operating mode A1 or A2 (CW without or including audio modulation) that in the headphones (Telefon) connected as shown, that we hear so-called clear "side-tones" apparently generated inside the transmitter RS 20M.

Explaining my inter-wiring starts with: interconnecting of the coaxial antenna first at the R3 receiver

Connecting the receiver antenna-cable onto the transmitter RS 20M
Left of it we notice the dummy load consisting of two so-called sofitten bulbs in series

Viewing the dummy-load provision made once by PA0 MM (Metzelaar), likely commenced already in 1946
On the most right-hand side, we notice the head-phone inter-connection.

Essential connections, most left the headphones connection; all the connectors using the typical Kriegsmarine Stecker configuration

In the centre the grey connector (coincidentally of grey colour) The Radione station operated a regular Army (Heeres) microphone; the red bottom should be kept pressed when speaking
Always a collectors item: the text: Feind hört mit!


Pointing at the Morse key Stecker

A smaller type-version as the usual Junker keys are found

Hans is operating the on-off BFO switch, the tuning is controlling the receiver HF sensitivity
Please notice, that the AVC being switched-off in the BFO mode; as RF gain has to be now manually controlled.
YouTube film
Film: 00059: Explaining the interactions between the receiver type R3 and the transmitter RS 20M. The explanation must be sufficient. What was discovered was for me striking: that the during CW mode A 1 and A2 that the headphone is providing real side-tone. This tone being derived from internal modulator stage, but operating in the way as it does when operating tone-cw (CW = morse-code mode).
The tuning assembly for the Radione R3 radio receiver 3 (23 June 2020)
End
By Arthur O. Bauer